Spannfutter ZK Mini Spannfutter 6 ZK 30 Mini
Das kleinste und präziseste 6-Backen Spannfutter der Welt. Mit einem Durchmesser von Ø = 30 mm – zum Spannen kleiner Wellen ab 0.6 mm, oder Ringen ab 6 mm Innendurchmesser. Ausgestattet mit 2 Backensätzen für das Spannen von innen oder aussen bestehend aus je 6 Backen für optimales und sorgfältiges Spannen von empfindlichen Werkstücken. Konzentrizität 20μm und aus rostfreiem Edelstahl.
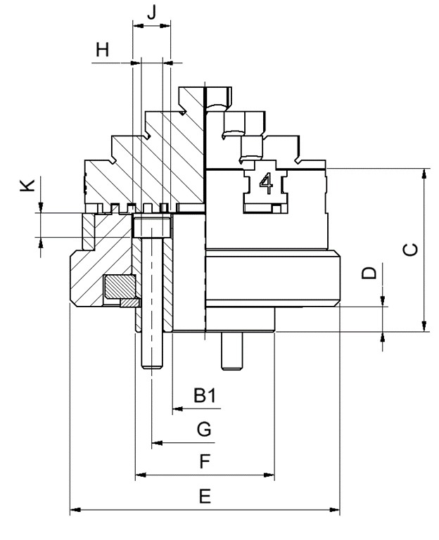
Spannfutter
- 6 Backenfutter
- Durchmesser: 30
Masse
6 ZK Ø | 30 |
|---|---|
B1 Ø | 8 |
C | 20 |
D | 3 |
E Ø | 33 |
F 0 / +0.01 Ø | 17 |
G Ø | 13 |
H Ø | 3 x 2.6 |
J Ø | 4.6 |
K | 3 |
Gewicht in kg, ca. | 0.1 |
Technische Daten
- Zulässige Drehzahl bis 6000 U/min.
- Auch für den Unterwassereinsatz, z.B. Drahterodieren (EDM)
Optionen
- Andere Grössen auf Anfrage
- Korrosionsgeschützt (Reinox), siehe Allgemeine technische Daten
Aufsatzbacken & Schäfte
- Wir realisieren Ihrem Werkstück entsprechend auch Sonderformen
- Aufsatzbacken in Aluminium, Messing oder korrosionsgeschützt (Reinox), siehe AtD, nach Kundenwunsch erhältlich


