Chuck ZK Mini Chuck ZK 30 Mini
The smallest and most precise chuck in the world. Starting from Ø = 30 mm – for clamping small shafts from 0.6 mm or rings from 2 mm inside diameter. Equipped with 2 sets of jaws from the inside or outside.
Chuck
- 3 und 6-Jaw chuck
- Diameter: 30
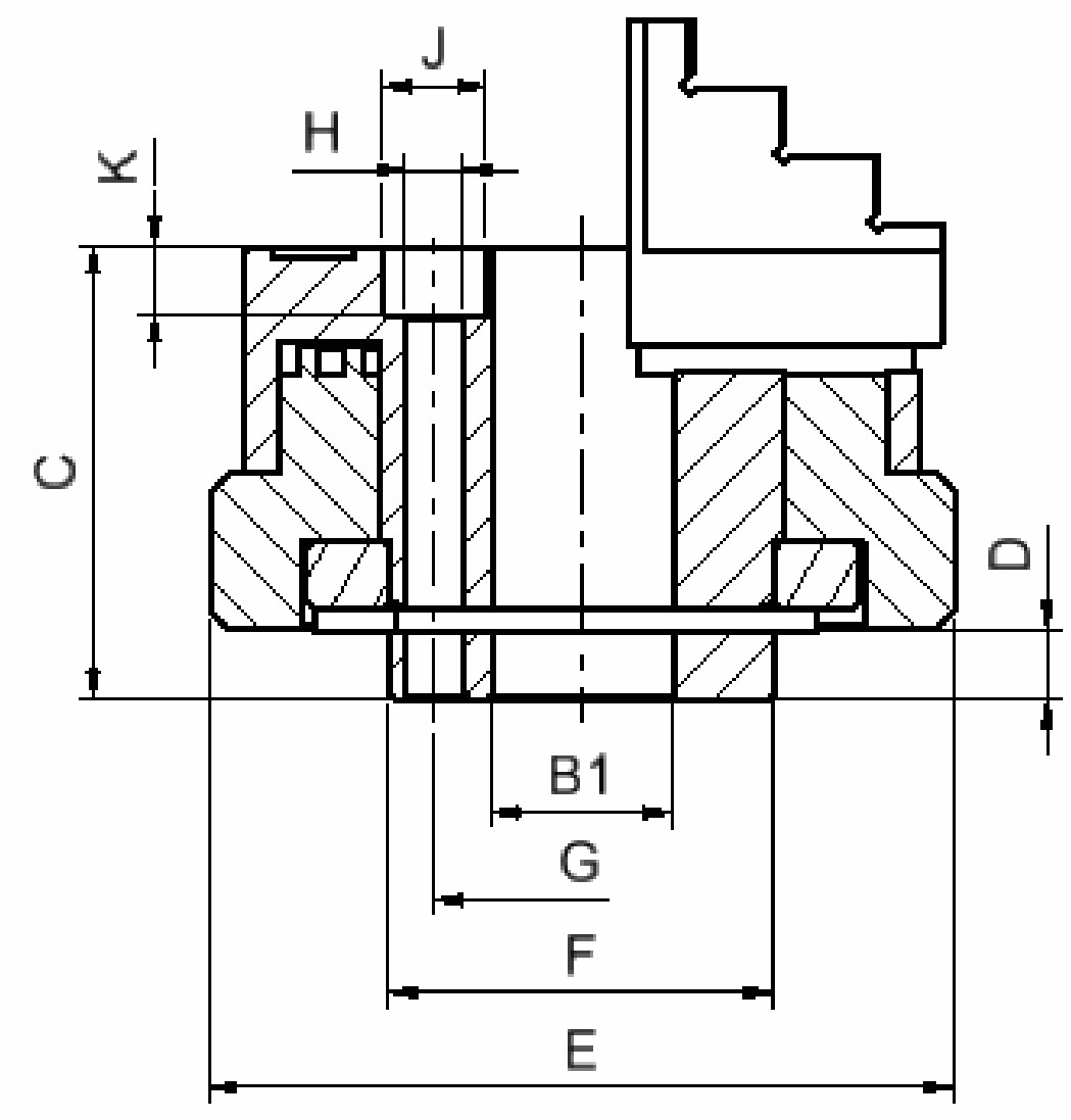
Dimensions
3 ZK Ø | 30 | 45 |
|---|---|---|
B1 Ø | 8 | 8 |
C | 20 | 20 |
D | 3 | 3 |
E Ø | 33 | 45 |
F 0 / +0.01 Ø | 17 | 17 |
G Ø | 13 | 13 |
H Ø | 3 x 2.6 | 3 x 2.6 |
J Ø | 4.6 | 4.6 |
K | 3 | 3 |
Weight in kg. ca. | 0.1 | 0.2 |
Technical data
- Permissible speed up to 6000 rpm.
- Also for underwater use, like wire erosion (EDM)
Options
- Special diameters on request
- Corrosion-protected (Reinox)
Jaws & shanks
- We also create special shapes according to your workpiece
- Top jaws in aluminum, brass or corrosion-protected (Reinox)


