Chuck Chuck ZAS
ZAS – the aluminum chuck family from Maprox, from Ø = 70-315 mm, or significantly larger if desired. Hard as steel (approx. 50 HRC), with over 50% less weight and the usual Maprox precision. In use since 2004, it defies the toughest conditions. High-quality feel of the black Altef® coating. Includes a set of reversible steel top jaws, ground and case hardened.
Chuck
- 3 and 6 jaw chuck
- Diameter: 70 / 80 / 125 / 160 / 240 / 315
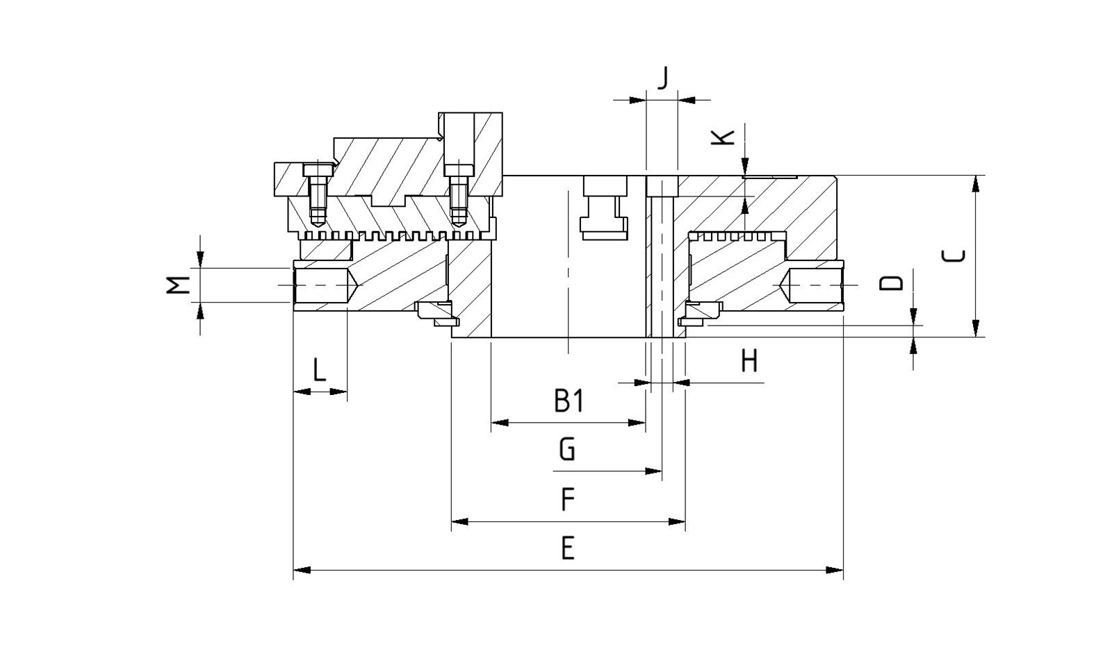
Dimensions
3 ZAS Ø | 70 | 80 | 110 | 125 | 160 | 240 | 315 |
|---|---|---|---|---|---|---|---|
B1 Ø | 18 | 22 | 32 | 36 | 46 | 68 | 89 |
C | 31 | 34 | 35 | 40 | 48.5 | 67 | 88.3 |
D | 4 | 4 | 4 | 4 | 4 | 4 | 4 |
E Ø | 73 | 86 | 114 | 129 | 164 | 243 | 318 |
F +0.01 / 0 Ø | 32 | 38 | 50 | 60 | 70 | 120 | 157 |
G Ø | 26 | 30 | 42 | 50 | 56 | 86 | 113 |
H Ø | 3 x 3.2 | 3 x 4.2 | 3 x 4.2 | 3 x 5.3 | 3 x 6.4 | 3 x 8.4 | 3 x 10.2 |
J Ø | 5.7 | 7.2 | 7.2 | 9.4 | 9.4 | 15 | 16.5 |
K | 3.6 | 4.5 | 4.5 | 5.8 | 6.5 | 8 | 10.5 |
L | 10 | 11 | 11 | 12 | 16 | 16 | 16 |
M Ø | 5 | 7 | 7 | 7 | 10 | 10 | 10 |
Weight in kg. approx. | 0.4 | 0.5 | 0.9 | 1.4 | 2.9 | 9.5 | 18.5 |
Technical data
- Repeat accuracy: 10 μ
- Axial run-out: 10 μ
- Concentricity: 20 μ
- For shaft diameters 2-371 mm and bore diameters 18-404 mm
- Chuck made from aluminum, altefiert
- Ø 70-315: Steel top jaws, ground and case-hardened (corrosion-protected, see AtD)
Options
- Anti-magnetic
- Soft block top jaws W
- Special sizes XXL; up to Ø 600mm
- Even higher accuracies are possible on request
Top jaws & shanks
- We also realize special shapes according to your workpiece
- Top jaws also available in plastic, aluminum, brass, etc. according to customer requirements



