Chuck JF Chuck JF Reinox
The original, further improved in our factory over many decades; Used worldwide on all types of measuring machines.
If desired, we can grind the steps of your clamping jaws to the workpiece diameter you define and thus achieving surface clamping (instead of line support) which leads to the workpiecebeing held even better in its shape during clamping.
Chuck
- 3-, 6- and 8-Jaw Chuck
- Diameter: 55 / 70 / 85 / 100 / 125 / 150 / 200
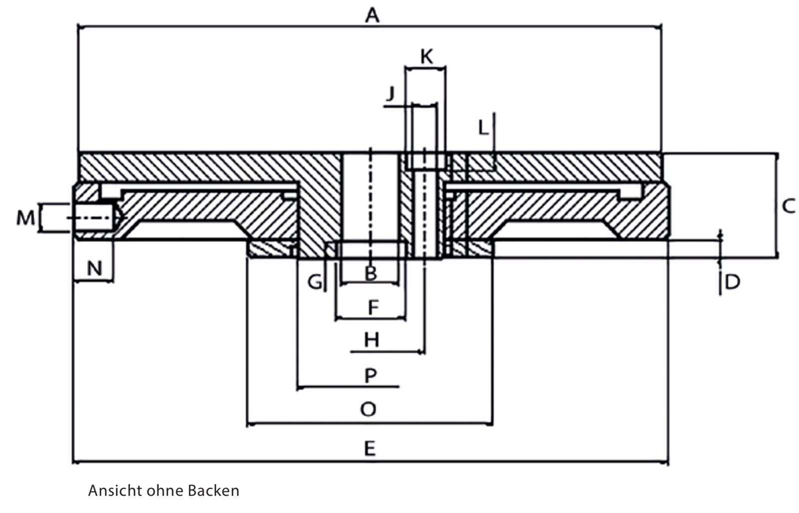
Dimensons
| JF Ø | 55 | 70 | 85 | 100 | 125 | 150 | 200 |
|---|---|---|---|---|---|---|---|
| A Ø | 55 | 70 | 85 | 100 | 125 | 150 | 200 |
| B H7 Ø | 8 | 8 | 10 | 10 | 16 | 16 | 16 |
| C | 13.8 | 15.7 | 16.5 | 18.2 | 21.0 | 21.0 | 25.2 |
| D | 2.8 | 3.2 | 3.2 | 3.2 | 3.2 | 4.2 | 4.2 |
| E Ø | 57 | 72 | 87 | 102 | 127 | 152 | 202 |
| F 0/+ 0.010 Ø | 10 | 11 | 12 | 12 | 20 | 20 | 20 |
| G | 2.6 | 4 | 3.1 | 3.1 | 5.2 | 5.2 | 5.2 |
| H Ø | 14.5 | 17 | 18.8 | 18.8 | 28 | 28 | 28 |
| J Ø | 3 x 3.1 | 3 x 3.8 | 3 x 4.0 | 3 x 4.1 | 4 x 5.2 | 4 x 5.2 | 4 x 5.2 |
| K Ø | 5.6 | 5.8 | 6.1 | 7.2 | 9.5 | 9.5 | 9.5 |
| L | 3.6 | 4.8 | 5.5 | 6 | 6.2 | 6.2 | 6.2 |
| M Ø | - | - | - | 5 | 5 | 5 | 5 |
| N | - | - | - | 7 | 7 | 7 | 7 |
| O Ø | 32 | 37 | 42 | 42 | 50 | 50 | 50 |
| P Ø | 20 | 22 | 25 | 25 | 35 | 35 | 35 |
Weight in kg. approx. | 0.3 | 0.5 | 0.9 | 1.1 | 2.5 | 2.8 | 4.4 |
JF Ø | 55 | 70 | 85 | 100 | 125 | 150 | 200 |
|---|---|---|---|---|---|---|---|
Diameter | 13 | 22 | 32 | 36 | ca. 40 | 48 | 71 |
Type D | Art. No. | Clamping range [mm] outside | Clamping range [mm] inside | Travel [mm] - Jaws |
|---|---|---|---|---|
JF 3D 55 | 193516.63 | 1-61 | 13-72 | 6.5 |
JF 6D 55 | 193515.63 | 1-61 | 13-72 | 6.5 |
JF 3D 70 | 193536.63 | 1-71 | 17-88 | 11 |
JF 6D 70 | 193535.63 | 1-71 | 17-88 | 11 |
JF 3D 100 | 195089.63 | 1.5-99.5 | 27-117 | 18 |
JF 6D 100 | 193571.63 | 1.5-99.5 | 27-117 | 18 |
JF 3D 150 | 10162.002 | 1.5-140 | 36-172 | 24 |
JF 8D 150 | 195035.10 | 1.5-140 | 36-172 | 24 |
JF 3D 200 | 195280.00 | 1.5-210 | 45-250 | 35 |
JF 6D 200 | 10118.001 | 1.5-210 | 45-250 | 35 |
Technical data
- Concentricity: 20 μ
- Axial run-out: 10 μ
- Repeat accuracy: 5 μ
- Blank JF chucks are greased, therefore also suitable for use in machining
- Surface hardness: D-jaws are case-hardened as standard, see AtDTechnical data
Optionen
- Other sizes on request
Top jaws & shanks
- We also realize special shapes according to your workpiece Top jaws in aluminium, brass or corrosion-protected (Reinox), see AtD, available according to customer requirementsTop jaws & shanks

